You are here
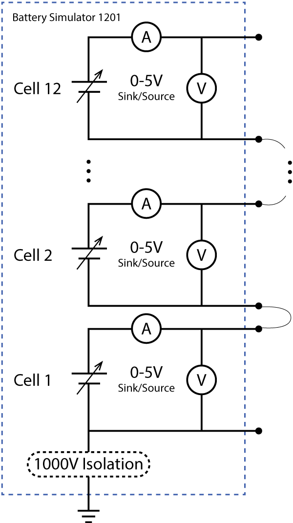
Battery Simulator 1201 Series 12 Cell Layout Functional Diagram
Description:
The Battery Simulator 1201 functionally consists of 12 cells with individually programmable levels, 500 mA of sink/source current, precision voltage and current readbacks, and 1,000V of isolation.

