Email UsRequest a Quote
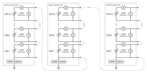
Many Battery Simulator 1200s can be connected in series in order to simulate a larger pack.